Время работы:

ПН-ПТ 10:00 - 19:00
СБ-ВС выходной

Каталог товаров

Электроводонагреватель проточный ЭПВН - 7,5

Артикул: НС-0030854
(0)
Проточный электроводонагреватель ЭПВН класса «СТАНДАРТ-ЭКОНОМ» предназначен для приготовления горячей воды в частных домах, коттеджах, социальных и коммерческих объектах.
Доставка по России любой ТК (транспортной компанией)
Все товары сертифицированы
Основные характеристики
Производитель
Страна производитель
Россия
Напряжение, В
220
Давление срабатывания датчика максимального давления
7,5 МПа
Испытательное давление
12 атм
КПД
93%
Максимальная температура в точке водозабора
75 ±5 °С
Минимальное допустимое давление на входе
0,5 атм
Производительность (при Δt = 35°С)
180 л/ч
Рабочее давление воды
6 атм
Разница температур между входом и выходом
35°С
Сечение жилы питающего кабеля
6 мм²
Температура срабатывания аварийного датчика
85 ±2°С
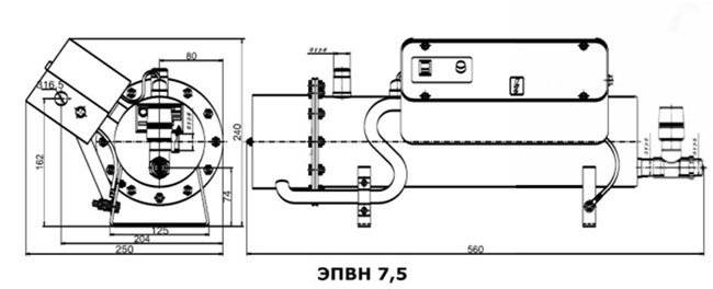
Габариты, мм
240х250х560
Вес, кг
10
Гарантия
1 год

Электрические проточные водонагреватели ЭВАН

  • Возможность создания полностью автономной или резервной системы горячего водоснабжения
  • Мгновенный нагрев воды
  • Экономичность. Расход электроэнергии происходит при нагреве используемой воды
  • Простота монтажа, управления и технического обслуживания
  • Экологически чистое двухстороннее покрытие емкости нагрева
  • Три уровня безопасности
  • Гарантия надежной работы при изменении напряжения питающей сети ±10% от номинального значения
  • ТЭНы из нержавеющей стали обеспечивают долговечность приборов
  • Электроводонагреватели проточные серии "-ЭПВН"- предназначены для горячего водоснабжения жилых, бытовых, производственных, сельскохозяйственных помещений в качестве основного или резервного источника горячей воды

Устройство прибора

  1. корпус
  2. крышка
  3. ТЭН (один - ЭПВН 7 или три - ЭПВН 9,45-30)
  4. защитный кожух ТЭН
  5. датчик терморегулятора
  6. входной патрубок
  7. выходной патрубок
  8. обратный клапан
  9. пульт управления
  10. опоры водонагревателя
  11. аварийный термовыключатель
  12. предохранительный клапан
  13. тройник
  14. зажим заземления

Электроводонагреватель проточный ЭПВН - 7,5 в продаже по цене 0 руб. в Интернет-магазине Проф-инструмент с доставкой в Нижнем Новгороде и Нижегородской области. Звоните по телефону +8 (800) 302-10-51.

Похожие товары
Артикул: НС-1017846
Водонагреватель Smartfix 2.0 (3,5 кВт) сочетает в себе высокую производительность, способность экономить электроэнергию, безопасность, удобство в использовании, компактность и привлекательный дизайн.
Не указана цена за 1
Артикул: НС-1017841
Водонагреватель Smartfix 2.0 (6,5 кВт) сочетает в себе высокую производительность, способность экономить электроэнергию, безопасность, удобство в использовании, компактность и привлекательный дизайн.
Не указана цена за 1
Артикул: НС-0030851
Мощность30 кВт КПД93 % Hапряжение питания380 B Рабочее давление воды6 атм Испытательное давление12 атм Минимальное допустимое давление на входе0,5 атм Давление срабатывания датчика макимального давления7,5 МПа Максимальная температура в точке водозабора75 ±5 °С Разница температур между входом и выходом35 °С Температура срабатывания аварийного датчика85 ±2 °С Производительность (при Δ-t = 35°-С)750 л/ч Сечение жилы питающего кабеля10 мм2 Вес20 кг Гарантия12 месяцев
Не указана цена за 1